Руководство on-line
СОДЕРЖАНИЕ

Общие сведения

Общее

Общие сведения

Техническое обслуживание

Ключи

Двери

Сиденья

Системы безопасности

Ремни безопасности

Воздушная подушка безопасности

Инструкция по технике безопасности

Оборудование салона

Замок зажигания

Световой поворотный выключатель

Регулировка дальности света

Комбинированный переключатель

Зеркала

Солнцезащитные козырьки

Автоматическая зажигалка

Внутреннее освещение

Сдвижной люк

Обогрев заднего стекла

Электроподъемники стекол

Управление автомобилем

Стояночный тормоз

Трогание с места и переключение передач

Установка рычага выбора (БД)

Переключатель выбора режима движения (БД)

Управление движением

Круиз-контроль

Расход масла и топлива

Капот двигателя

Блок вентиляции, кондиционер

Несколько советов при покупке автомобиля

Перебитые номера

Покупка старого автомобиля

Долговечность автомобиля

О параллельности мостов автомобиля и прицепа

Подготовка автомобиля к зиме

Шины

Двигатель

Масло

Аккумулятор

Система зажигания

Кузов

Стекла

Расходные материалы

Техническое обслуживание

Через 12 месяцев или 15 000 км пробега

Двигатель

Передний мост и рулевое управление

Тормозная система, шины, колеса

Кузов и другое оборудование

Электрическая система

Дополнительно через каждые 60 000 км пробега

Через каждые 2 года

Через каждые 3-4 года

Работы по техническому обслуживанию

Двигатель и система выпуска отработанных газов

Коробка предач/ главная передача

Передний мост/ рулевое управление

Тормоза/ шины

Кузов/ внутреннее освещение

Уход за автомобилем

Мойка автомобиля

Уход за окрашенными поверхностями

Уход за пластмассовыми деталями

Уход за стеклами и резиновыми уплотнениями

Уход за легкосплавными дисками

Ремни безопасности

Антикоррозионная защита

Консервация моторного отсека

Уход за обивкой кресел

Запуск двигателя от вспомогательного аккумулятора

Буксировка автомобиля

Подъем автомобиля

Инструменты, применяемые для технического обслуживания

Двигатели

Бензиновый двигатель

Введение

Идентификационный номер

Двигатель

Снятие

Установка

Вентиляция двигателя

Функционирование

Автомобили с кондиционером

Нижняя крышка моторного отсека

Крышки литых отверстий

Натяжитель цепи

Крышка головки блока цилиндров

4-цилиндровый двигатель

6-цилиндровый двигатель

Головка блока цилиндров

4-цилиндровый двигатель

Двигатель обьемом 2,2 л

6-цилиндровый двигатель

Распределительные валы

4-цилиндровый двигатель

Снятие и установка

Контроль/ регулировка основного положения

6-цилиндровый двигатель

Гидравлические тарельчатые толкатели

Маслоотражательные колпачки

Клапаны

Направляющие клапаны

Седла клапанов в головке блока цилиндров

Компрессия

Клиновый ремень

4-цилиндровый двигатель

6-цилиндровый двигатель

Диагностика неисправностей (БД)

Общие замечания

Ремонтные работы без демонтажа двигателя

Капитальный ремонт двигателя

Общие замечания

Альтернативы

Демонтаж двигателя

Последовательность разборки

Дизельный двигатель

Введение

Двигатель

Снятие

Установка

Вентиляция двигателя

Функционирование

Автомобили с кондиционером

Нижняя крышка моторного отсека

Крышки литых отверстий

Натяжитель цепи

Распределительный вал

Двигатель объемом 2,0 л

Двигатель объемом 2,2/2,5 л

Головка блока цилиндров

Двигатель объемом 2,0 л

Двигатель объемом 2,2/2,5 л

Маслоотражательные колпачки

Двигатель объемом 2,0 л

Двигатель объемом 2,2/2,5 л

Крышка головки блока цилиндров (2,2/ 2,5 л)

Гидравлические тарельчатые толкатели

Клапаны

Направляющие клапаны

Седла клапанов в головке блока цилиндров

Головка блока цилиндров и моторный блок

Компрессия

Клиновой ребристый ремень

Натягивающее устройство клинового ребристого ремня

Диагностика неисправностей

Система смазки

Введение

Спецификация моторного масла

Область применения масел/ класс вязкости

Расход масла

Контур циркуляции масла (ДД)

Масляный редукционный клапан

Масляный поддон

Бензиновый двигатель

Дизельный двигатель (2,0 л)

Дизельный двигатель (2,2 / 2,5 л)

Индикатор уровня масла

Теплообменник масло/охлаждающей жидкости

Диагностика неисправностей в контуре циркуляции масла

Система охлаждения

Контур циркуляции охлаждающей жидкости

Охлаждающая жидкость

Бензиновый двигатель

Дизельный двигатель

Автомобили с кондиционером

Антифриз для радиатора

Терморегулятор охлаждающей жидкости (термостат)

Проверка системы охлаждения

Гидравлическая муфта вентилятора

Насос системы жидкостного охлаждения

Радиатор

Кожух вентилятора

Диагностика неисправностей системы охлаждения

Диагностика неисправностей системы индикации уровня жидкости

Перегрев двигателя

Отопление, вентиляция

Введение

Кондиционер

Добавочные сопротивления

Вентилятор обогрева

Прибор обслуживания отопления

Диагностика неисправностей системы отопления

Кондиционер: не только "плюсы", но и "минусы"

Правила обслуживания кондиционера

Система зажигания

Введение

Техника безопасности при ремонте электронной системы зажигания

Катушки зажигания

Свечи зажигания

Снятие, установка, проверка

Индекс калильного числа

Устройство предварительного разогрева дизеля

Общие сведения

Проверка устройства предварительного разогрева

Общие сведения

Лампа накаливания

Якорь

Свечи накаливания

Температурный датчик охлаждающей жидкости

Термодатчик всасываемого воздуха

Самодиагностика устройства

Топливная система

Описание топливной системы

Введение

Топливный бак

Датчик уровня топлива

Топливный насос

Топливный фильтр

Воздушный фильтр

Поперечная труба воздушного фильтра

Впускной газопровод

Трос газа/ рычаг дроссельной заслонки (БД)

Трос управления газом (БД)

Контур топлива дизельного двигателя

Предпусковой подогрев дизельного топлива

Топливный термостат

Корпус гидроклапана

Трос газа/ рычаг дроссельной заслонки (ДД)

Трос управления газом (ДД)

Система впрыска бензиновых двигателей

Системы управления двигателем PMS и HFM

Общие сведения

Принцип работы PMS

Принцип работы HFM

Самодиагностирование состояния системы зажигания и впрыска топлива

Расходомер воздуха

Термодатчик охлаждающей жидкости

Датчик всасываемого воздуха

Система вакуумных трубопроводов

Топливный распределитель с клапанными форсунками

Клапанные форсунки

Кислородный датчик (лямбда-зонд)

Диагностика неисправностей системы впрыска бензина

Что следует знать владельцу машины с инжекторным двигателем

Турбо-доктор

Система впрыска и питания дизельных двигателей

Введение

Проверка/ настройка начала подачи топлива насосом

Форсунки

Технические данные системы впрыска и питания дизеля

Диагностика неисправностей системы впрыска и питания

Система выпуска отработанных газов

Введение

Основной и средний глушители

Автомобили с катализатором

Устройство нейтрализации отработанных газов дизельного автомобиля

Три в одном - или как уберечь катализатор

Трансмиссия

Сцепление

Введение

Проверка толщины диска сцепления в смонтированном состоянии

Проверка сцепления

Подшипник муфты выключения сцепления

Удаление воздуха из системы управления сцеплением

Пробуксовочка

Диагностика неисправностей системы сцепления

Механическая и автоматическая коробки переключения передач

Введение

Коробка передач

Буксировка автомобилей, оснащенных автоматом

Проверка уровня масла в автоматической КПП

Трансмиссионное масло и фильтр

Трос управляющего давления

Шток переключения

"Автомат"

Ходовая часть

Передний мост

Введение

Амортизаторы

Общие сведения

Проверка и утилизация амортизаторов

Передние пружины

Общие сведения

Установка зазора в передних подшипниках

Стабилизатор поперечной устойчивости

Задний мост

Введение

Задние амортизаторы

Задние пружины

Полуоси

Общие сведения

Снятие полуосей/ замена резиновых манжет

Зачем нужен амортизатор

Типы амортизаторов

Дополнительная защита шаровых шарниров рулевых тяг

"Хитрые" болты и гайки

Рулевое управление

Введение

Блок надувной подушки безопасности на рулевом колесе

Рулевое колесо

Рулевая трапеция

Манжеты шарниров рулевой трапеции

Насос гидроусилителя руля

Установка развала-схождения

Легко и непринужденно

Техническое обслуживание системы рулевого управления

Диагностика неисправностей системы рулевого управления

Тормозная система

Введение

Антиблокировочная система - ABS

Дополнительное оборудование - система ASR

Технические данные тормозной системы

Накладки передних тормозных колодок

Накладки задних дисковых тормозов

Снятие и установка

Проверка толщины тормозных дисков и их бокового биения

Суппорт

Передний тормозной диск

Задний тормозной диск

Тормозная жидкость

Удаление воздуха из тормозной системы

Тормозные трубопроводы / шланги

Замена тормозных магистралей

Тормозные колодки стояночного тормоза

Регулировка стояночного тормоза

Выключатель стоп-сигнала

Диагностика неисправностей тормозов

Колеса и шины

Технические характеристики

Обслуживание колес и шин

Диагностика неисправностей шин

Кузов

Введение

Передняя дверь

Задняя дверь

Ручка передней двери

Ручка задней двери

Дверной замок

Внутренняя обшивка дверей

Передний стеклоподъемник

Стекло переднего окна

Задний стеклоподъемник

Стекло передней двери

Двигатель стеклоподъемника

Перчаточный бокс

Защитное покрытие рукоятки переключения передач

Передняя пепельница

Средняя консоль

Панель обслуживания отопления

Внутренняя обшивка А-стойки

Внутренняя обшивка С-стойки

Переднее сиденье

Заднее сиденье

Центральный замок

Общие сведения

Элементы центрального замка

Наружное зеркало/ стекло зеркала

Покрытие под приборной панелью

Передний бампер

Задний бампер

Внутреннее крыло автомобиля

Крыло автомобиля

Решетка радиатора/ эмблема Mercedes

Тяга капота двигателя

Покрытие под ветровым стеклом

Устройство подачи воздуха для обогрева салона

Водосборник

Лакокрасочное покрытие

Коррозия металла

Автомакияж

Что скрипит?

Люк

Электрооборудование

Система электрооборудования

Введение

Измерительные приборы

Техника измерений

Проверки электрооборудования

Звуковой сигнал

Замены предохранителей

Аккумуляторная батарея

Общие сведения

Необслуживаемые аккумуляторные батареи

Проверка аккумуляторной батареи

Саморазряд аккумуляторной батареи

Зарядка аккумуляторной батареи

Хранение аккумуляторной батареи

Диагностика неисправностей аккумуляторной батареи

Генератор

Общие сведения

Диагностика неисправностей генератора

Стартер

Общие сведения

Диагностика неисправностей стартера

Тяговое реле

Система освещения

Общие сведения

Лампы ближнего, дальнего и противотуманного света

Лампа в переднем фонаре указателя поворота

Лампа в заднем фонаре

Лампа в фонаре освещения номерного знака

Плафон в салоне

Фонарь указателя поворота

Фара

Общие сведения

Регулировка фар

Задний фонарь

Приборы

Приборная панель

Лампы накаливания на панели приборов

Переключатель света

Радиоприемник

Антенна

Общие сведения

Телескоп автоматической антенны

Динамики

Резиновые щетки стеклоочистителей

Общие сведения

Диагностика неисправностей щеток стеклоочистителей

Жиклеры стеклоомывателя

Моющие форсунки фар

Стеклоочиститель и его двигатель

Защити свою машину сам

Противоугонный "иммунодефицит"

Почему тускнеют фары

"Галогенки"

Электросхемы

Общая информация

Пользование электросхемами

Сокращения в электросхемах

Электрооборудование - стартер, генератор, аккумулятор (БД 111 HFM/PMS)

Ключ к схеме электрооборудования

Наружное освещение (БД, ДД)

Ключ к схеме наружного освещения

Внутреннее освещение (БД, ДД)

Ключ к схеме внутреннего освещения

Панель приборов (БД 111 HRM/ PMS/ 104 HFM)

Ключ к схеме панели приборов

Панель приборов (ДД 601/ 604/ 605)

Ключ к схеме панели приборов

Электрооборудование - стартер, генератор, аккумулятор (ДД 601/ 604/ 605)

Ключ к схеме электрооборудования

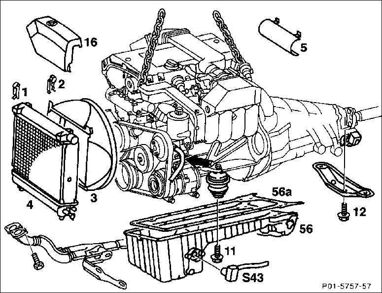
4.7. Масляный поддон

4.7.1. Бензиновый двигатель

ОБЩИЕ СВЕДЕНИЯ

 
1. Зажим радиатора
2. Зажим корпуса вентилятора
3. Корпус вентилятора
4. Радиатор
5. Покрытие электропроводки двигателя
11. Болты передней опоры двигателя
12. Болты задней опоры двигателя
16. Крышка
S43. Штеккер датчика уровня масла
56. Масляный поддон
56а. Уплотнительная прокладка поддона

Болты крепления масляного поддона


 
6. Болт М 6 х 20 9 мм
7. Болт М 6 х 35 9 мм
8. Болт М 6 х 85 9 мм
9. Болт М 8 х 40 21 мм
10. Болт М 10 х 40 40 мм
56. Масляный поддон

Снятие

ПОРЯДОК ВЫПОЛНЕНИЯ
1. Снимите нижнюю крышку моторного отсека.
2. Снимите стабилизатор.
3. Спустите моторное масло.
4. Снимите крышку (16).
5. Снимите зажимы (2).
6. Приподнимите корпус вентилятора и положите на вентилятор.
7. Отсоедините зажимы (1) от радиатора.
8. Ослабьте верхний маслопровод (стрелка) на насосе усилителя рулевого управления и поверните вниз.
9. Снимите кабельную ленту для электропроводки двигателя.
10. Снимите покрытие электропроводки двигателя с разделительной перегородки между агрегатами.
11. Отсоедините переднюю выпускную трубу от выпускного коллектора.
12. Отвинтите опору держателя выпускной трубы от коробки передач.
13. Отсоедините штеккер датчика уровня масла.
14. Выкрутите болты передней опоры двигателя.
15. Выкрутите болты крепления задней опоры двигателя.
16. Зацепите двигатель за передние и задние проушины.
17. Приподнимите двигатель как можно более горизонтально.
18. Выкрутите болты крепления (6/ 7/ 8/ 9/ 10) масляного поддона и снимите масляный поддон (56) (см. рис. Болты крепления масляного поддона).
19. Тщательно очистите уплотнительную поверхность масляного поддона и картера коленчатого вала.

Установка

ПОРЯДОК ВЫПОЛНЕНИЯ
1. Установите масляный поддон с новой уплотнительной прокладкой, выровняйте его относительно задней поверхности прилегания к КПП и равномерно вручную закрепите болтами. Затем попеременно закрутите болты с предписанным моментом (см. рис. Болты крепления масляного поддона).
Предупреждение

Если масляный поддон не выровнен относительно коробки передач, то впоследствии это приведет к шумам.


2. Опустите двигатель.
3. Вставьте болты крепления передней опоры двигателя и завинтите их вручную.
4. Завинтите болты передней опоры двигателя с моментом 40 Н.м.
5. Наденьте штеккер датчика уровня масла.
6. Прикрепите переднюю выпускную трубу к выпускному коллектору, опору держателя выпускной трубы на КПП.
7. Установите покрытие электропроводки двигателя на перегородке, разделяющей агрегаты.
8. Закрепите электропроводку двигателя у правого колеса.
9. Поверните маслопровод насоса усилителя рулевого управления вверх и закрепите.
10. Наденьте зажимы на радиатор.
11. Установите корпус вентилятора и закрепите зажимами.
12. Установите крышку (16).
13. Установите стабилизатор.
14. Установите нижнюю крышку моторного отсека.
15. Залейте моторное масло.
16. Прогрейте двигатель и проверьте герметичность масляного поддона.

    © Copyright 2009-2022 by [202]Denis